1
X
1

LPG Tanker Truck with CCC and ISO9001 Certificate 

Contact Now
Tank volume:56000L.0           LNG Tanker Truck with CCC and ISO9001 Certificate
basic parameter
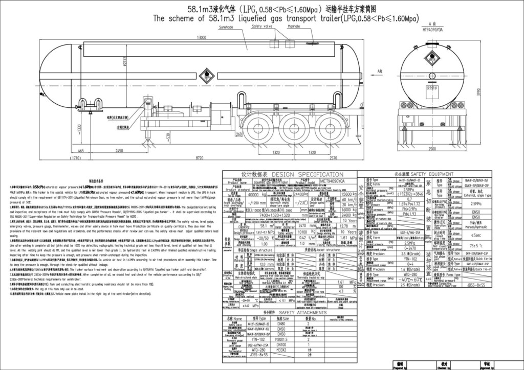
Machine weight (Kg) 16100 Rated contained mass (Kg) 23900
Gross Vehicles Weight (Kg) 40000 External Dimensions 13000x2500x3950
(length×width×height)(mm)
Water capacity 56000 L 0.426
Unit volume filling weight(KG/L)
Design temperature(°C) -196 Design pressure 0.64Mpa
Liquefied natural gas(LNG) Maximum allowable work pressure  ≤0.64Mpa
Applicable shipping medium
Inside tank 0Cr18Ni9/SUS304 Tanks shell material 16MnR/Q235-B
material
Adiabatic way Vacuum \ multi-layer adiabatic Adiabatic  materials Aluminum foil, adiabatic paper
The relief valve is opened pressure(Mpa) 0.74~0.77
Main configuration
 Items Data  Items Data
(BPW 10t)Shaft 3 set Tire (12R22.5) 12+1 set
Traction pin 1 set  JOST Support leg 2 set
Steel mechanical damping system 1 set Gas transmission brake system 1 set
24V circuit system 1 set ABS 1 set
outrigger 1 set basic hand tool 1 set
liquidometer 1 set  Relief valve 2 set
Pressure instructions thermometer 1 set Fire extinguisher 2 unit
Pressure gauge 1 set Anti-static drag ground 1 unit
Valve box 1 unit toolbox 1 unit
description of products
 This kind of vehicles is used to transport liquefied natural gas (LNG) specially.It has reasonable design, mature technology, safe and reliable. The design, manufacturing and inspection of our products are in accordance with the national standards:GB150, JB/T4783-2007, this standard and international dangerous road transport standards is equal . We can design different size tanks for users to correspond with local vehicles loaded weight standard.
Production Machinery:
Machine Name Brand & Model No. Quantity Number of Year(s) Used Condition
CNC Cutting Machine GS/D-6000, GS-Z-6000 4 5 Acceptable
Tank Seal Head Molding Machine ZX-3000 1 5 Acceptable
Plate Jointing Auto Welding Machine PBF-10500 2 3 Acceptable
Tank Rolling & Molding Machine ZZGCX-2800 1 3 Acceptable
Tank Circumferential Welding Machine GCH-1 6 0.3 Acceptable
Vacuum Pump ZJ-600 6 3 Acceptable
Auto Plasma Welding Machine WME-500 2 5 Acceptable
Rolling Machine W11-16*2500, W11SNC-30*3000,W11-8*2500 4 5 Acceptable
Plate Shearing Machine QC12Y-16*32, QC-12Y-12/32 2 3 Acceptable
Hydraulic Bending Machine W67K-400/4, WA67Y-200/4, W67K-600/6 3 3 Acceptable
Shot Blast Machine FFPW-604 2 5 Acceptable
Spraying Line No Information 1 5 Acceptable
Testing Machinery:
Machine Name Brand & Model No. Quantity Number of Year(s) Used Condition
Glossiness Meter JFL-B 1 5 Acceptable
Ultrasonic Thickness Meter TT330 3 6 Acceptable
Film Thickness Meter TT260 1 4 Acceptable
Four-wheel Locator No Information 5 7 Acceptable
Five-wheel Locator No Information 1 6 Acceptable
X-ray Flaw Detector XXQ-2006 2 2 Acceptable.
Export Market Distribution:
Market Revenue(Previous Year) Total Revenue (%)
South America confidential 2
Southeast Asia confidential 2
Africa confidential 10
Mid East confidential 4
Eastern Asia confidential 3
Central America confidential 4
South Asia confidential 5
Domestic Market confidential 70
Shengrun GAS LPG tanker, is a special vehicle used for road transportation of liquefied gases (liquefied petroleum gas, propane, propylene, liquid ammonia, butadiene, isobutane, butane, isobutylene, etc.). Our LPG tank trailer choose carbon high-tensile steel material, welded by automatic Submerged-Arc processes. We adopt world famous brand of parts, like JOST, WABCO braking valve etc. LPG Tanker trailer will be inspected before painting ensure every detail in good condition. Established in 1982, we are a professional manufacturer of semi trailers, provide customized service, design as the customers’ every request. We have a professional trailer design department , rich production experience, short delivery time. Our factory has passed ISO9001 quality system certification. Our phone service 24 hours service for you. Our cooperation can be ODM or OEM mode. Transportation We usually adopt shipping by bulk cargo, flat rack, container container and Roro ship. We will arrange the most cost-effective transportation mode according to the quantity of products. All trailers will be polished with wax before shipping. We guarantee that all products have gone through strict inspection and are in good condition before shipment. We strive for 100% customer satisfaction on every sale we close. Delivery time:10-20 working days after payment receipt confirmed (based on actual quantity). Packing:Standard export packing, orcustomized packing as your request. Professional goods shipping forwarder. After-sales service 1.12months for main parts (engine, axle, body and beam, etc). 2. Technical Support by phone Whatsapp or email around the clock. 3.Lifelong Parts Supports. 4. Engineer available service oversea. FAQ: Q1. Are you a manufacturer? Yes, we have been in special vehicle manufacturing and marketing for over 25 years. Q2. What markets do your vehicle export to? Europe, North & South America, South-East Asia, Africa, Oceanica, Middle East countries etc. Q3. What information should I let you know if I want to get a quotation? Please let us know your purpose, road condition, cargo type, tons of your cargo, dimensions of the trailer, quantity etc. The more info you provide, the more accurate model and the price you will get. Q4. Is it available to print our own brand on the vehicle? Totally acceptable as you wish. Q5. How can I get the price of your vehicle? You can connect with us through any contact information. Our personalized service person will respond to you within 24 hours.  

Related Products

No data.

Request Inquery

Copyright © 2025 SHANDONG SHENGRUN AUTOMOBILE CO., LTD. All Rights Reserved.

Contact Us

Request Inquery